全焊接球閥
產品結構
主要零件材料
|
材料名稱 |
材質 |
|
|
GB |
ASTM |
|
|
閥體 |
25 |
A105 |
| 球體 |
304 |
304 |
|
?閥桿 |
1Cr13 |
182F6a |
|
彈簧 |
6osi2Mn |
Inconel X-750 |
|
密封圈 |
PTFE |
PTFE |
|
螺柱 |
35CrMoA |
A193 B7 |
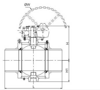
主要外形尺寸
PN16/PN25/CLASS150
|
全通徑 |
單位(MM) |
||||||
|
DN |
NPS |
L |
H1 |
H2 |
W |
||
|
RF |
WE |
RJ |
|||||
|
50 |
2 |
178 |
178 |
216 |
108 |
108 |
210 |
|
65 |
2 1/2 |
191 |
191 |
241 |
126 |
126 |
210 |
|
80 |
3 |
203 |
203 |
283 |
154 |
154 |
270 |
|
100 |
4 |
229 |
229 |
305 |
178 |
178 |
320 |
|
150 |
6 |
394 |
394 |
457 |
184 |
205 |
320 |
|
200 |
8 |
457 |
457 |
521 |
220 |
245 |
350 |
|
250 |
10 |
533 |
533 |
559 |
255 |
300 |
400 |
|
300 |
12 |
610 |
610 |
635 |
293 |
340 |
400 |
|
350 |
14 |
686 |
686 |
762 |
332 |
383 |
400 |
|
400 |
16 |
762 |
762 |
838 |
384 |
435 |
520 |
|
450 |
18 |
864 |
864 |
914 |
438 |
492 |
600 |
|
500 |
20 |
914 |
914 |
991 |
486 |
527 |
600 |







